Neue und verbesserte Produktseiten!
Entdecken Sie unsere neu gestalteten Produktseiten – entwickelt, um schneller und reaktionsfähiger zu sein, mit klareren Layouts und priorisierten technischen Informationen.

Schneller, kostenfreier Versand für Bestellungen über €250*

Ihr Handelspartner in der Wassertechnologie

8.3/10 Bewertungen lesen

Technische Details

  • Motor RPM
    2770
  • Typ
    CRI 5-18A FGJ I V HQQV
  • Max Durchfluss
    8.5 m³/h
  • Maximale Umgebungstemperatur
    40 °C
  • Leistung
    4 PS
  • Pumpengehäuse
    Edelstahl 316
  • Maß
    DN35
  • Laufräder
    18
  • Druck
    35
  • IP Wert
    IP55
  • Werkstoff
    Edelstahl
  • Welle
    Edelstahl 316
  • Temperaturbereich
    -20°C - 90°C
  • Herz
    50 Hz
  • Material Laufrad 1
    Edelstahl 304
  • Spannung
    400VAC
  • Anschluss
    DIN Flansch
  • Ampere
    6,3 A
  • EAN
    4019305785129
  • Artikelnummer
    7039743
  • Hersteller
    Grundfos

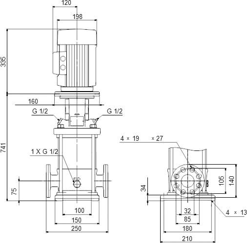
Abmessungen

  • Cb-1
    75 mm
  • Cb-2
    75 mm
  • H-1
    1076 mm
  • L
    250 mm
  • W-1
    210 mm
  • ØDi-1
    35 mm
  • ØDi-2
    35 mm
Technische Zeichnung
Grafik

Produkt beschreibung

Grundfos CRI-Pumpen sind vertikale, nicht selbstansaugende, mehrstufige Inline-Kreiselpumpen für den Einbau in Rohrsysteme und die Montage auf einem Fundament, geeignet für industrielle Anwendungen. Diese Konstruktion ermöglicht eine kompaktere Bauweise der Pumpe und der Rohrleitungen. Die CR-Pumpen sind für eine Vielzahl von Anwendungen ausgelegt, die von der Förderung von Trinkwasser bis zur Förderung von Chemikalien reichen. Die Pumpen eignen sich daher für eine Vielzahl von Pumpensystemen, bei denen die Leistung und das Material der Pumpe spezifischen Anforderungen entsprechen.

Varianten

Artikel-Nr.
Preis
VE
MSQ
Lager
Keine Varianten gefunden
Passen Sie die ausgewählten Filter an oder löschen Sie sie, um verfügbare Varianten anzuzeigen.
EUR 1’820.56
1
1
EUR 2’146.74
1
1
EUR 2’298.56
1
1
EUR 2’397.35
1
1
EUR 2’221.93
1
1
EUR 2’697.68
1
1
EUR 2’783.51
1
1
EUR 2’953.30
1
1
EUR 3’073.70
1
1
EUR 3’122.09
1
1
EUR 3’510.97
1
1
EUR 3’730.43
1
1

Kürzlich angesehen